Dockstar Pinout SDHC Card and I2C

Plugging in devices such as LAN adapters, Wi-Fi cards, printers, etc. to Arch Linux ARM.

Dockstar Pinout SDHC Card and I2C

Postby mindsmith » Sun Sep 05, 2010 8:08 am

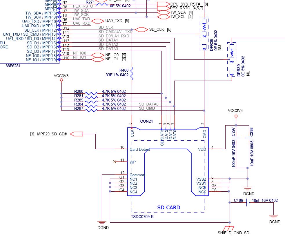
I remove the CPU and check the Pinout, the both SATA and PCIe are not available, but the SDHC-Card and I2C. The Numbers in the pictures are the MPP[xx] from the circuit. I test the SD Card Port it works well. So if somebody like to try it, have fun.
Attachments
SD_Card.JPG
SD_Card.JPG (106.29 KiB) Viewed 72771 times
board_top1.JPG
board_top1.JPG (145.49 KiB) Viewed 72771 times
board_bottom1.JPG
board_bottom1.JPG (128.79 KiB) Viewed 72771 times
mindsmith
 
Posts: 10
Joined: Sun Sep 05, 2010 7:58 am

Re: Dockstar Pinout SDHC Card and I2C

Postby bzboi » Sun Sep 05, 2010 1:54 pm

Good job! I'll have to give it a try. Any chance of hacking in the RTC circuitry? How about I2S or the 2nd serial port? I don't think it's economically feasible to do it, but does the board have enough address lines and chip enables to support a 512MB DDR chip? Can you tell if they are using GMII or RGMII on the GigE port? Thanks!
bzboi
 
Posts: 55
Joined: Sun Jul 11, 2010 5:39 pm

Re: Dockstar Pinout SDHC Card and I2C

Postby mindsmith » Sun Sep 05, 2010 2:01 pm

The second serial port is shared with the SD Card Ports (MPP[13] + MPP[14])
The I2S, SPDIF, TDM, second GB-LAN and some IO´s are also available. I will update you soon.
I think it´s not possible to use the second GB-LAN, because you need an other Marvell 88E1116 Chip, and i don´t think that it runs when you use some jumper wires from the Board to the LAN Chip.
mindsmith
 
Posts: 10
Joined: Sun Sep 05, 2010 7:58 am

Re: Dockstar Pinout SDHC Card and I2C

Postby bzboi » Sun Sep 05, 2010 4:12 pm

$this->bbcode_second_pass_quote('', 'I') think it´s not possible to use the second GB-LAN, because you need an other Marvell 88E1116 Chip, and i don´t think that it runs when you use some jumper wires from the Board to the LAN Chip.


Actually I'm wondering if there's anything interesting to hook up via a magneticless LAN interface.
bzboi
 
Posts: 55
Joined: Sun Jul 11, 2010 5:39 pm

Re: Dockstar Pinout SDHC Card and I2C

Postby mindsmith » Sun Sep 05, 2010 4:17 pm

here the new pictures
I2S Interface:
MPP[39] = I2SBCLK
MPP[40] = I2SDO
MPP[41] = I2SLRCLK
MPP[42] = I2S_MCLK
Mpp[43] = I2SDI
SPDIF:
MPP[20]
MPP[21]
Attachments
board_bottom_new1.JPG
board_bottom_new1.JPG (133.43 KiB) Viewed 73009 times
board_top2.JPG
board_top2.JPG (148.42 KiB) Viewed 73009 times
mindsmith
 
Posts: 10
Joined: Sun Sep 05, 2010 7:58 am

Re: Dockstar Pinout SDHC Card and I2C

Postby mindsmith » Sun Sep 05, 2010 4:21 pm

You can search in google for the file openrd_hardware.zip there is the full reference schematic for this CPU.
Or use this link: http://code.google.com/p/openrd/downloa ... p&can=2&q=
In this schematic you can see that you need a NIC Chip Marvell 88E1116 for the second LAN.
mindsmith
 
Posts: 10
Joined: Sun Sep 05, 2010 7:58 am

Re: Dockstar Pinout SDHC Card and I2C

Postby bzboi » Sun Sep 05, 2010 4:33 pm

You would typically need a PHY chip as you mention if you're trying to interface to a standard RJ-45 connector, but there is a way to interface MACs directly (ie, no need for PHY, transformer or RJ-45) for backplane chip to chip connectivity. You just need to be careful with termination on both sides. All this is a moot point if they are using GMII on the Dockstar since that eats up the interface for dual GigE ports.
bzboi
 
Posts: 55
Joined: Sun Jul 11, 2010 5:39 pm

Re: Dockstar Pinout SDHC Card and I2C

Postby bzboi » Wed Sep 08, 2010 8:13 pm

@mindsmith board_bottom_new1.jpg shows MPP17 and MPP18 labels where MPP12 and MPP16 labels used to be. I'm guessing that MPP12 and MPP16 are correct? Thanks!
bzboi
 
Posts: 55
Joined: Sun Jul 11, 2010 5:39 pm

Re: Dockstar Pinout SDHC Card and I2C

Postby mindsmith » Wed Sep 08, 2010 8:39 pm

Now with a bit better pictures, the numbers are the MPP[xx] from the Marvell Pinout list for the CPU.


Second Ethernet:
32 = TX1_CLKOUT
33 = TX1_CTRL
20 = TXD1[0]
21 = TXD1[1]
22 = TXD1[2]
23 = TXD1[3]
30 = RX1_CTRL
31 = RX1_CLK
24 = RXD1[0]
25 = RXD1[1]
26 = RXD1[2]
27 = RXD1[3]

I2S:
39 = I2SLRCLK
40 = I2SDO
41 = I2SLRCLK
42 = I2SMCLK
43 = AU_I2SDI
44 = AU_I2SEXTCLK

SPDIF:
36 = SPDIFI
37 = SPDIFO
38 = SPDIFCLK

I2C:
8 = TW_SDA
9 = TW_SCK

SDHC Card:
12 = SD_CLK
13 = SD_CMD / Alternativ UA1_TXD (UART1)
14 = SD_D0 / Alternativ UA1_RXD (UART1)
15 = SD_D1
16 = SD_D2
17 = SD_D3

SPI:
0 = SPI_CS#
1 = SPI_MOSI
2 = SPI_SCK
3 = SPI_MISO

IO´s:
18 = NF_IO0
19 = NF_IO1
Attachments
top1_part1.JPG
top1_part1.JPG (159.56 KiB) Viewed 73148 times
bottom1_part1.JPG
bottom1_part1.JPG (213.27 KiB) Viewed 73148 times
bottom1_part2.JPG
bottom1_part2.JPG (186.31 KiB) Viewed 73148 times
mindsmith
 
Posts: 10
Joined: Sun Sep 05, 2010 7:58 am

Re: Dockstar Pinout SDHC Card and I2C

Postby mindsmith » Wed Sep 08, 2010 8:41 pm

Here the last to pictures
Attachments
SD-card1.JPG
SD-card1.JPG (40.54 KiB) Viewed 73216 times
top1_part2.JPG
top1_part2.JPG (253.2 KiB) Viewed 73216 times
mindsmith
 
Posts: 10
Joined: Sun Sep 05, 2010 7:58 am

Next

Return to Hardware

Who is online

Users browsing this forum: No registered users and 20 guests